可調穩壓電源電路,原理圖分享-KIA MOS管
信息來源:本站 日期:2026-04-02
大電流可調穩壓電源電壓可在3.5V~25V之間任意調節,輸出電流大,采用可調電壓穩壓 管電路,獲得滿意穩定的輸出電壓。
整流濾波后,直流電壓由R1提供給調節管的底座以打開調節管。當V1導通時,電壓通過RP和R2開啟V2,然后V3也導通。此時,V1、V2和V3的發射極和集電極電壓不再變化,其功能與穩壓器完全相同。通過調節RP可以獲得穩定的輸出電壓,R1、RP、R2和R3的比值決定了電路的輸出電壓。
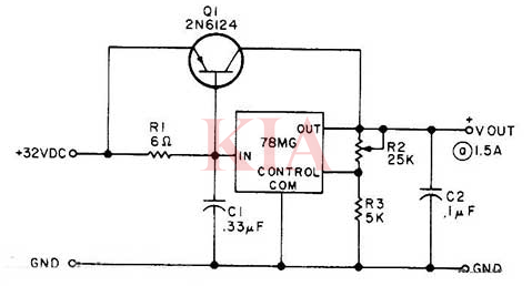
外部串聯旁路晶體管將500mA的78MG或79MG額定輸出提高到1.5A,以適用于實驗室可調電源。該電路的外部旁路晶體管無短路保護,添加具有保護作用的晶體管來避免短路。
電壓1.5-9V、電流0.2A可調穩壓電源
它由二極管VD1-VD4整流,晶體管VT2、VT3復合調整,晶體管VT4比較放大,穩壓管VD7基準電壓源,穩壓管VD5恒流源和電阻R1、R2、R3以及晶體管VT4限流保護和檢測電阻R0等部分組成。
假如輸出電壓由于某種原因(輸入電壓變化或負載電流變化)而發生變化時,比較放大部分把變化信號放大并送到調整部分,使其產生相反的變化來抵消輸出電壓的變化。
電位器RP和電阻R6對輸出電壓取樣,送到晶體管VT4比較放大部分與穩壓管VD7的基準電壓進行比較。電路中穩壓管VD5和電阻R1、R2、R3組成偏置電路,使通過晶體管VT1的集電極電流Ic變化很小,基本上可以認為是恒定的,所以一般把這部分電路稱為恒流源負載。
電路中晶體管VT5和檢測電阻RO組成過載和短路保護電路。當負載電流超過定值或短路時,檢測電阻Ro上的電壓降就會大于VT5的導通電壓(0.5V),使VT5導通,恒流源送出的電流大部分流入VT5,減小了調整管的基極電流b從而限制了調整管的輸出電流。
聯系方式:鄒先生
座機:0755-83888366-8022
手機:18123972950(微信同號)
QQ:2880195519
聯系地址:深圳市龍華區英泰科匯廣場2棟1902
搜索微信公眾號:“KIA半導體”或掃碼關注官方微信公眾號
關注官方微信公眾號:提供 MOS管 技術支持
免責聲明:網站部分圖文來源其它出處,如有侵權請聯系刪除。
