三電平逆變電路原理,三電平逆變器拓撲-KIA MOS管
信息來源:本站 日期:2026-01-28
三電平逆變電路主要用于高壓、大功率場合,原理是通過特定的拓撲結構和開關控制,使輸出電壓波形更接近正弦波,從而降低諧波、減少開關損耗,并允許使用耐壓較低的器件。
工作原理
常見的三電平逆變器拓撲是中性點箝位型(Neutral Point Clamped,NPC)。該結構在每個橋臂上使用4個電力電子開關器件(如IGBT)和2個箝位二極管,連接在兩個串聯的直流分壓電容(C1=C2)之間。這種設計使得每個開關器件承受的電壓應力僅為直流母線電壓的一半,從而降低了對器件耐壓的要求。
通過控制不同開關器件的通斷組合,可以在輸出端產生三種不同的電平狀態:+Udc/2、0、-Udc/2(其中Udc為直流母線總電壓)。
+Udc/2電平:通過導通特定的開關管,將輸出端連接到正直流母線與中點之間的電壓點。
0電平:通過導通特定的開關管,將輸出端連接到中點電位。
-Udc/2電平:通過導通特定的開關管,將輸出端連接到負直流母線與中點之間的電壓點。
NPC中性點箝位逆變器
這個是一個多電平拓撲,這個拓撲中所有開關都是額定電壓設在一半的總線電壓,器件的電壓應力比較低,因此功率器件開關損耗也相對較低,所以在NPC拓撲中,對于800V-1000V的總線電壓,可以使用650V-700V等級的器件,相比1200V器件可以達到更低的開關損耗。
NPC拓撲的輸出電流紋波較小,這會優化輸出濾波電感的大小,用較小的電感維持相應的THD, 拓撲不僅可以產生較小畸變的輸出電壓,同時可以最小化開關器件的dv/dt電壓應力,從而減小EMI.
這個拓撲提供了功率的雙向傳輸,當開關頻率高于50kHz時是更好的選擇,因為其低的開關損耗和較高的效率。雖然控制上比較復雜,但是此拓撲改善了功率密度和效率等特性。作為一個雙向DC/AC拓撲,它非常適合儲能逆變器及光儲系統中的逆變部分。
除了上述優勢之外,其缺點也顯而易見,比如開關器件較多,同時對應的門級驅動器也較多。由于使用了功率二極管,所以其熱分布不均勻,熱管理也是一個挑戰。
ANPC有源中性點箝位逆變器
相對于NPC拓撲而言,如上圖所示,ANPC逆變器是一個NPC逆變器的改善版本,NPC拓撲中的二極管在這個拓撲中變為了有源開關。這樣的變化,使得系統可以得到更一致的損耗分布,使得熱管理更容易,開關的導通電壓可以減小,改善了效率和功率密度。ANPC拓撲的其余部分和NPC基本一致。
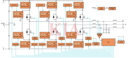
ANPC的三相逆變器拓撲架構圖
上圖為ANPC三電平三相逆變器的拓撲架構簡圖。
聯系方式:鄒先生
座機:0755-83888366-8022
手機:18123972950(微信同號)
QQ:2880195519
聯系地址:深圳市龍華區英泰科匯廣場2棟1902
搜索微信公眾號:“KIA半導體”或掃碼關注官方微信公眾號
關注官方微信公眾號:提供 MOS管 技術支持
免責聲明:網站部分圖文來源其它出處,如有侵權請聯系刪除。
