mos管屬于晶體管嗎?MOS管和晶體管-KIA MOS管
信息來源:本站 日期:2024-04-01
MOS管屬于晶體管。晶體管泛指一切以半導體材料為基礎的單一元件,包括各種半導體材料制成的二極管、三極管、場效應管、可控硅等。
晶體管主要分為兩大類:雙極性晶體管(BJT)和場效應晶體管(FET)。
晶體管有三個極:雙極晶體管有三個極,分別是發射極、基極和集電極。
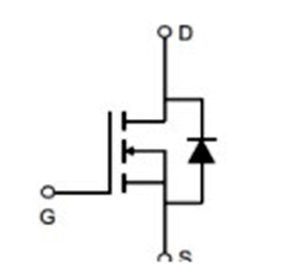
場效應晶體管有三個極:源極、柵極和漏極。
MOS管是金屬-氧化物-半導體場效應晶體管的簡稱,也就是MOSFET,廣泛用于現代電子技術中。MOS管的源漏是可互換的,它們是在P型背柵中形成的N形區域。在大多數情況下,這兩個區域是相同的,甚至兩端的對準也不會影響器件的性能。這種裝置被認為是對稱的。
晶體管(transistor)和MOS管(metal-oxide-semiconductor field-effect transistor)都是半導體器件,在電子技術領域中具有重要的作用。

1. 結構差異
晶體管由P型和N型半導體材料的組合構成。有三個區域:發射極(E)、基極(B)和集電極(C)?;鶚O是控制器,由一個薄片一次性連接到基極夾持器。發射極和集電極是電池(電源)的正負極。當控制器與發射極之間的電壓變化時,基極與發射極之間的電流也會隨之變化。
MOS管由金屬-氧化物-半導體三元組組成,其中金屬是作為柵極,氧化物是絕緣材料,半導體是作為導體的器件。MOS管不像晶體管是組成三極管結構。MOS管可以用于數字電路的制作,但也可以用于模擬集成電路。
2. 工作原理的不同
晶體管的工作是由質子和電子的流通控制來控制電流的大小,當基極與發射極之間施加上正值時,允許電子從發射極流向集電極,此時會形成大電流,從而電路就工作。因此,晶體管的工作是靠電流變化,達到控制電路的目的。
MOS管的工作原理與電容有關。柵極上的電信號變化會影響柵極和半導體之間的電場,從而改變了半導體和柵極之間的導電性。
3. 模式的不同
在晶體管中有兩種類型的操作模式:共發射極和共集電極。 在共發射極模式中,信號加在基極上,這會影響發射極電流的變化,最終輸出信號將在集電極上檢測。在共集電極模式中,信號被應用于集電極,這種類型的晶體管用于輸出幅度不必很大的信號。
MOS管則是工作在增強型和耗盡型兩種模式下。在增強型模式中,當柵極的電位為高電平時,通道才會被形成。在耗盡型模式中,柵極電位為低電平或者負電位時,就會產生通道,柵極電位為高電位時,通道會消失。
4. 噪音
晶體管是一種有噪音的器件。噪音可以從器件內部產生,也可以從器件外部產生。噪音主要來自于與半導體材料相關的因素,如材料質量或結構,以及外部環境的噪音。MOS管存在類似的問題,但是它們比較不容易受到集成電路布局和設計的限制。
5. 速度
MOS管比晶體管速度更快,這意味著MOS管可以在更短的時間內完成電路操作。晶體管的速度相對較慢,但晶體管在處理高頻信號時仍然比邏輯門級別的器件快。
6. 功率消耗
晶體管具有比MOS管更高的功率消耗。MOS管需要的驅動電力更小,而晶體管在開啟時需要更多的電能,這意味著晶體管需要更高的電源電壓和更大的電解電容,這會導致功率消耗更高。
聯系方式:鄒先生
聯系電話:0755-83888366-8022
手機:18123972950(微信同號)
QQ:2880195519
聯系地址:深圳市福田區金田路3037號金中環國際商務大廈2109
請搜微信公眾號:“KIA半導體”或掃一掃下圖“關注”官方微信公眾號
請“關注”官方微信公眾號:提供 MOS管 技術幫助
免責聲明:本網站部分文章或圖片來源其它出處,如有侵權,請聯系刪除。
