三相電表接線圖-三相電表互感器接線方法圖解大全-電工基礎知識
信息來源:本站 日期:2018-05-24

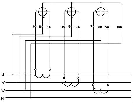
低壓三相四線有功電能表經電流互感器接線適用于計量低壓大電流(電流大于50A)負荷

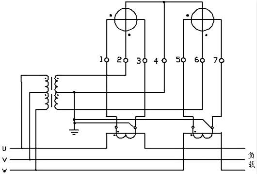
高壓三相四線有功電能表經電壓互感器和電流互感器的接線適用于110KV及以上電網(中性點有效接地電網)


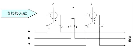
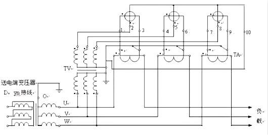
高壓三相三線有功電能表經電壓互感器和電流互感器的接線適用于10KV、35KV電網(中性點非有效接地電網
(1)低壓三相四線有功電能表經電流互感器接線適用于計量低壓大電流(電流大于50A)負荷
(2)高壓三相四線有功電能表經電壓互感器和電流互感器的接線適用于110KV及以上電網(中性點有效接地電網)
(3)高壓三相三線有功電能表經電壓互感器和電流互感器的接線適用于10KV、35KV電網(中性點非有效接地電網)
(1)低壓三相四線有功電能表經電流互感器接線需接10根線:六根電流線、四根電壓線。
(2)高壓三相四線有功電能表經電流互感器、電壓互感器接線需接10根線:六根電流線、四根電壓線。
(3)高壓三相三線有功電能表經電流互感器、電壓互感器接線需接7根線:四根電流線、三根電壓線。
聯系方式:鄒先生
聯系電話:0755-83888366-8022
手機:18123972950
QQ:2880195519
聯系地址:深圳市福田區車公廟天安數碼城天吉大廈CD座5C1
請搜微信公眾號:“KIA半導體”或掃一掃下圖“關注”官方微信公眾號
請“關注”官方微信公眾號:提供 MOS管 技術幫助
