UPS電源 UPS四種不同接線圖詳解 UPS與ATS配合應用詳解-KIA MOS管
信息來源:本站 日期:2018-05-15

1)正常運行方式
不斷電系統的供電原理是當市電正常時,機器會將市電的交流電轉換為直流電,而后對電池充電,以備電力中斷時使用;這里跟各位強調的是不斷電系統并不是停電時才會動作,像是遇到電壓過低或過高、瞬間突波等,足以影響設備正常運轉的電力品質時,不斷電系統均會動作,提供設備穩定且干凈的電力。當市電正常供電時,市電經濾波回路后,分為兩個回路同時動作,其一是經由充電回路對電池組充電,另一個則是經整流回路,作為逆變器的輸入,再經過逆變器的轉換提供電力給負載使用;由此可知,在線式不斷電系統的輸出完全由逆變器來供應,因此不論市電電力品質如何,其輸出均是穩定而不受任何影響。
2)電池工作方式
一旦市電發生異常時,將儲存于電池中的直流電轉換為交流電,此時逆變器的輸入改由電池組來供應,逆變器持續提供電力,供給負載繼續使用,達到不斷電的功能。UPS不間斷電源系統的電力來源是電池,而電池的容量是有限的,因此不斷電系統不會像市電一般無限制的供應,所以不論多大容量的不斷電系統,在其滿載的的狀態下,其所供電的時間必定有限,若要延長放電時間,須購買長時間型不斷電系統。
3)旁路運行方式
當在線式UPS超載、旁路命令(手動或自動)、逆變器過熱或機器故障,UPS一般將逆變輸出轉為旁路輸出,即由市電直接供電。由于旁路時,UPS輸出頻率相位需與市電頻率相位相同,因而采用鎖相同步技術確保UPS輸出與市電同步。旁路開關雙向可控硅并聯工作方式,解決了旁路切換時間問題,真正做到了不間斷切換,控制電路復雜,一般應用在中大功率UPS上。如果在過載時,必須人為減少負載,否則旁路短路器會自動切斷輸出。
4)旁路維護方式
當UPS進行檢修時,通過手動旁路保證負載設備的正常供電,當維修操作完成后,重新啟動UPS, UPS 轉為正常運行。極低的維護率,MTTR為15萬小時,極大地提高UPS不間斷電源可用性。
從應用的角度看,UPS功能的變化經歷了三個階段。第一階段是硬件保護,保護負載設備的硬件系統不會因為電力異常或供電突然中斷而損壞;第二階段是數據保護,當市電中斷時,保護負載設備的數據資料不會因為突然停電而損毀或丟失;第三階段是系統可用性保護,在市電正常、異常,甚至中斷情況下,都要保證后面的關鍵負載有高品質的電力供應。這三個階段的變化都是隨著社會發展和技術進步,人們對生產系統的需求不斷提升而促進的。第一階段凸顯在UPS誕生不久的上世紀七、八十年代,第二階段盛行于上世紀九十年代中期,第三階段從上世紀九十年代后期開始變得越來越重要,直至今天系統可用性仍然是數據中心、工廠、醫院、軌道交通等用電場所對UPS供電系統要求的最重要指標之一。
為了提升系統可用性,人們提出并實行了多種改善方案,比如在UPS組合方案方面由單機到串聯熱備份,再到并聯冗余、雙總線、分布式冗余等等;在UPS選型方面,由塔式一體機到各部分可熱插拔更換的模塊機;在配套的外圍設備方面,選配更高性能的蓄電池,增加更加智能和人性化的監控管理系統,引入多路電源并配置ATS(Automatic Transfer Switching Equipment自動轉換開關)等等。其中UPS跟ATS裝置的配合應用目前比較普遍,并且也出現過不少問題,本文主要針對這一應用進行論述。
電源割接中,對于雙電源設備,可以采用斷電割接方法;但是遇到單電源設備,而且該設備非常重要,不容許中斷割接,往往需要采用不斷電割接流程,割接流程和步驟演示如下圖:
參考步驟:
1.新建UPS新系統,新系統調試和蓄電池容量測試完成。
2.布放臨時電纜,從新UPS輸出屏布放電纜至待割接電源頭柜及老輸入屏旁路開關,確認無誤后,對該電纜送電。
3.測試電源正常后,關閉老UPS系統逆變器,確認老UPS工作在旁路模式,這時老UPS系統供電和新UPS系統供電同源(輸出均來自新UPS系統)。
4.合新UPS主路輸出,測試頭柜主路備用空開上下端電壓,進行核相操作(測量主用側備用開關上下樁頭電壓差,原則小于1V),確認后可先合5.5.主用側備用開關,進行電流確認,再斷主用側主用開關。
6.拆除老UPS到頭柜的主路電纜。
7.相同方法,割接備用電源。
8.割接完成,拆除臨時電纜和舊電纜。
9.做好空開和電纜的標記標示。
*注意:考慮不同UPS系統間蓄電池配置不同,考慮UPS系統中的蓄電池更新周期短,一般情況下UPS更新均與蓄電池更新同步進行,故UPS割接過程中一般不考慮蓄電池割接步驟。
在線電源系統割接工程必須要以確保在網設備安全運行、整個網絡安全暢通為原則,任何危及通信網絡安全的操作,必須無條件終止。
在實施在線電源系統割接工程之前和工程期間,必須保證新、舊設備完好無故障,若出現任何可能危及安全供電的因素,必須無條件終止,待故障排除后方可繼續。
在業務不允許中斷供電的前提下,應采用在線不斷電的割接方案,否則應采用斷電割接方案;
工程割接時間應該避讓業務高峰,重大割接安排在夜間進行;
工程割接日期應該避讓重大節日、重大通信保障任務時期以及其他專業安排進行的網絡調整和版本升級時間;
實施在線電源系統割接工程的工程人員必須精通電源設備操作和工程施工操作、熟悉通信電源系統割接流程、牢記應急方案。
實施割接的施工隊伍,必須具備相應工程級別資質的施工證;
維護部門在割接過程中應安排專人全程督導,協助割接工程的設計勘察、審核割接方案和應急方案,監督割接的實施。
在割接工程期間,維護部門對發現的重大方案缺陷、重大施工安全隱患等,有權對割接工作行使“一票否決”,終止割接工程。
1.新UPS系統完成開機調試、蓄電池全容量測試,監控到位。
2.提前布放電纜,并粘貼標準電纜標簽;需要使用臨時線纜時,必須選擇合適線徑,可靠連接,并有明顯的標識
3.根據原電源設備電纜的接線位置,編寫電纜編號標記,確保電纜拆裝過程中不會錯亂。
4.確認所有雙電源設備主備用電源模塊均工作正常,且主備用電源分開。
5.提前發布割接工程公告。
6.確認相關各專業已對相關業務做好數據備份,且已準備應急方案。
7.消防器材、安全救護設備準備到位。
8.正確穿戴和使用個人防護用品,不攜帶任何金屬物品并去掉可能導致不安全的隨身飾物(手表、脖子上戴的工作牌等)。
根據《供配電系統設計規范》(GB50052-2009)規定,符合下列情況之一時,應視為一級負荷:
1、中斷供電將造成人身傷害時;
2、中斷供電將在經濟上造成重大損失時;
3、中斷供電將影響重要用電單位的正常工作時[1]。
一級負荷應由雙重電源供電,當一電源發生故障時,另一電源不應同時受到損壞[2]。
所以數據中心、軌道交通、工廠、醫院等一些重要的用電場所通常都具有一路市電和一路油機或者兩路市電和一路油機供電,這時就出現了UPS與ATS配合應用的情況。
目前UPS與ATS配合應用的方案(或者說是UPS接入兩路輸入電源的方案)主要包括三大類:
圖1中兩路電源一路接UPS的主輸入,另一路接UPS的旁路輸入,這種方案在市場上的應用還比較多,但有逐漸減少的趨勢。它的本質是將UPS內部的靜態開關作為外部的ATS使用,優點是節省了ATS成本,但缺點也非常明顯。若主輸入電源中斷時,UPS就只能轉電池工作,此時即便另一路電源正常也不能使用,只有當電池放完或者異常時才能轉到另一路電源供電,但此時是走的UPS旁路,沒有經過UPS的整流和逆變處理,若輸入電源異常可能會導致負載不能正常工作甚至中斷。若旁路輸入電源中斷,UPS將工作在沒有旁路的告警狀態下,一旦UPS自身出現異常可能會直接導致負載中斷。同時,還必須考慮兩路電源的零線處理問題,處理不好可能會導致UPS或負載莫名其妙地出現告警或故障。總之這種方案沒有充分發揮兩路電源的效用,并且改變了UPS設備自身的設計初衷,不建議使用。
圖2中兩路電源分別進入UPS雙總線供電系統的一條總線,彼此沒有關聯。這種方案雖然不存在零線處理和改變UPS設計初衷的問題,但也僅限于應用在后端沒有通過STS(StaticTransferSwitch靜態轉換開關)供電的單電源設備狀況下,并且當任一路輸入電源中斷時,系統都將運行于單總線供電狀態,使系統工作可靠性大受影響,除非電池配置的足夠多。
該方案是指將兩路電源經ATS轉換成一路供給后面的UPS設備或者系統(如圖3所示)。對于UPS單機或者并機系統來說該方案是合理的,也比較常用,對于雙總線系統來說該方案就顯得比較單薄,存在ATS單點故障風險,此時最好采用ATS組合方案。
采用ATS組合的方案有多種,不同的組合方案最終的工作可靠性和成本可能會有很大的差異。圖4是傳統的ATS組合UPS雙總線接線示意圖,圖中有三路電源輸入,經過兩個ATS組合轉化成一路供給UPS系統,因為后面有經過STS供電的單電源負載,所以在兩條總線的UPS之間加裝了LBS(Load Bus Synchronizer負載同步控制器)。初步看來這個方案是比較合理的,但跟圖5比較就會發現其明顯的不足,最主要的就是圖4具有太多的單點故障點和相依性,工作可靠性明顯不如圖5。圖5增加了ATS3和輸入配電柜2,并將集中STS設備更改為分散的機架式ATS,根據機架式ATS的特性取消了LBS控制器,從而成為一套完全隔離的雙總線系統,一條總線跟另一條總線相互冗余,并且完全隔離,工作可靠性得到了極大的提升。在成本投資上,圖5中的設備量雖然增加了,但增加的設備相對比較便宜,與取消的集中式STS設備和LBS設備相比,總體成本未必會有增加。
在上述的UPS與ATS配合應用的方案中,其實還存在一個問題,那就是ATS型號的選用,主要是指3極ATS和4極ATS的選用問題。具體來分4極ATS的轉換又包括三種:
1、零線與相線同時斷開和同時導通型;
2、零線比相線后斷開,比相線先導通型;
3、零線先通后斷,始終不中斷型。
對于3極ATS來說,零線始終是接牢的,不會斷開,選用這類ATS只要處理好兩路電源的零線連接問題即可,不能強制短接,也不能形成不規范的多點接地。
零線與相線同時斷開和同時導通型的4極ATS不存在將兩路電源的零線直接短接問題,但會存在零線中斷的現象,甚至在轉換過程中出現零線電壓擾動,將問題甩給后面的UPS和負載。同時也很難保證四路觸點完全同步,如果零線在相線之前斷開,可能會在零線上產生瞬變高壓和電弧,腐蝕觸點。
零線比相線后斷開,先導通型的4極ATS不存在零線觸點拉弧現象,但仍存在零線閃斷,甚至零線擾動的情況。
零線先通后斷型的ATS需要處理好兩路電源的零線間不要存在壓差,在接通瞬間不會產生電流即可。
從上面的比較可以看出,各類型ATS的差異就在于零線要不要一起轉換,怎么轉換!對于3P3W+PE不需要接零線的UPS系統自然沒有影響,但對于3P4W+PE,需要采取TN-S接線系統的UPS系統來說,這個問題就非常關鍵,有的用戶沒有處理好這一點就發生了問題。
在UPS設備內部,零線的作用會隨UPS的結構不同而有所差異。
圖6是工頻UPS的架構示意圖,從中可以看出,零線只是在旁路和輸出變壓器的次級才會有,在整個UPS的內部主線路中都不會用到零線,輸入輸出的零線是直通的。這是因為工頻UPS的整流器用的是三相SCR自然換相整流,即相控整流,不需要零線,整流后的直流母排電壓只有一組,也沒有中間抽頭,逆變器是全橋逆變,仍然不需要零線。在UPS旁路和輸出變壓器的次級引入零線的作用就是為了給后面的負載提供工作零線,否則單相負載將無法工作。
其實在工頻UPS內部還是有用到零線的地方的,那就是輔助電源的取電及邏輯電路的基準點。UPS通常是取自單相電源(L和N),經轉換后形成輔助電源提供給整流、逆變、靜態開關的控制電路,以及DSP(或者CPU)、風扇等用電。同時UPS的邏輯電路也是以零線電位為參考點的,以確保檢測電路的準確無誤。
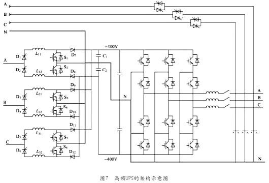
圖7是一種高頻UPS的架構示意圖,從中可以看出,高頻UPS中零線的用途會比工頻UPS多很多。這是因為高頻UPS的整流器多是采用IGBT整流,并且加裝PFC電路,該工作方式是將輸入交流電源的正半周和負半周分別處理,所以會用到零線。整流后的直流母排電壓也是有正負兩組,在零線和正負極之間分別跨接直流電容,作為濾波和續流之用。高頻UPS的逆變器采用的是半橋逆變器,將正負兩組直流電壓分別逆變成交流輸出的正負半周。高頻UPS內部從前到后始終離不開零線,但輸入輸出間的零線也只是經過了高頻濾波器的電感線圈后直通的。
對于三相電源來講,零線中斷將使電壓重新分配,如圖8所示,如果三相電源中每兩相之間的電壓是380V,單相負載1和負載2分別接在三相電源的單相上,正常情況下如圖8(a),每路負載的輸入電壓都是交流220V,互不影響,負載能夠正常工作。如果零線中斷,將會形成圖8(b)的情況,380V的交流電壓同時加在負載1和負載2上,負載1和負載2分別分擔的電壓是:
此時如果負載1和負載2的阻抗相等,則每路負載分擔的電壓是:380V/2=190V。
如果負載1的阻抗是5Ω,負載2的阻抗是1Ω,那么負載1上分得的電壓將是317V,負載2上分得的電壓將是63V,二者都不能正常工作,甚至還有可能會燒毀!
在UPS供電系統中,UPS是下游負載的電源,也是上游電源的負載,當上游電源系統的零線中斷時,UPS同樣面臨380V電壓重新分配的問題,雖然不像UPS后面的負載那樣可能存在嚴重的三相不平衡,但也會對UPS產生一定的影響,畢竟上游的電源不會像UPS輸出的電源那樣穩定和標準。
輸入電源的零線中斷或擾動會直接威脅到UPS的EMI電路中X電容和MOV,使其失去功效甚至炸裂,同時也可能會影響到UPS整流、逆變、PFC等電路的控制異常,以及邏輯電路的基準點偏離,從而產生誤偵測、誤告警。
輸入電源的零線中斷或擾動也會對UPS后面的負載產生影響,因為不論是傳統的工頻機還是高頻機,輸入輸出零線都是相通的,UPS和其后面的負載都是以上游電源的零線作為參考基準點。當輸入電源的零線中斷或擾動時UPS可以轉電池工作,繼續給后面的負載供電,但此時的零地電壓可能會很高或者產生波動,有些負載對零地電壓很敏感,可能會因為參考基準點的偏離而告警、誤動作、不能正常工作,甚至燒毀,這些后果的產生都是由上游的電源零線異常導致的,不是UPS力所能及改善的!
IEC62040-1-2和GB7260.4中有明確說明:UPS的輸出中性線依賴于輸入電源或供電系統的中性線時,如果電源的外部隔離/轉換等會引起危險,則安裝說明書中應給出足夠信息,防止該中性線缺失[3]。
CEMEP(歐洲電機和電力電子制造商委員會)European UPS Guide也明確提出:許多UPS系統采用輸入電源的中性線作為UPS輸出中性線的基準,當對UPS上游電源采用多電源隔離或轉換時,應特別注意要確保輸入電源中性線基準在UPS運行期間不會斷開[4]。
由上述兩條可知,UPS輸出零線依賴于輸入電源或供電系統的零線是有標準依據的,并且市面上常用的UPS也都是這樣設計的。同時這類UPS對其上游所選用的ATS的要求也是非常明確,那就是零線不能中斷!能滿足這種要求的ATS類型只有兩種:3極ATS和零線先通后斷、始終不會中斷的4極ATS。
對于少數3P3W+PE不需要接零線的UPS來說,選用3極ATS自然也可以滿足。
由前面的《2.UPS與ATS配合應用的方案及分析》可知,在UPS與ATS配合應用的方案上,單機或并機系統適合采用單一ATS方案(如圖3所示)。該方案結構簡單,成本較低,配置和維護比較方便,可靠性也能滿足要求,萬一ATS故障可以人為打到旁路或者讓UPS運行于電池狀態下進行維護。
對于雙總線或者更復雜的UPS供電系統建議采用ATS組合方案(如圖5所示)。因為復雜的供電系統預示著更高的工作可靠性要求和更多的成本投入,增加一臺ATS能夠消除系統單點故障點從而提升整個系統的可靠性是非常值得的!(注意:ATS是不能直接并聯的,否則切換不同步時會導致兩路電源直接短路!)
針對上述兩種方案的ATS選型,一定要選擇3極ATS或者零線先通后斷的4極ATS。這兩種ATS的零線都是可以直接相連接的,一個是始終連在一起,一個是用到時連在一起,但是在連接之前一定要創造可連接的條件,連接時不能有零線環流產生。具體方法可以有兩種。
第一種方法是凈化零線系統
主要從下面幾個方面入手。
1、保證上游變壓器到ATS端的兩條零線都是給UPS系統專用的,沒有另外接不平衡負載或者易產生3次諧波的設備;
2、變壓器到ATS的兩條零線線徑夠粗,接地電阻足夠小;
3、ATS后面的零線不做重復接地。
保證了這幾點在ATS端測量到兩路電源的零地電壓通常會接近于零,尤其是ATS離上游兩臺變壓器比較近的情況下,這樣在ATS前端的兩條零線可以隨時連接到一起。這種方法既適用于3極ATS也適用于零線先通后斷的4極ATS。
第二種方法是加裝隔離變壓器
如果第一種方法無法滿足,就需要加裝離變壓器來實現。對于3極ATS來說,可以在靠近ATS端給其中一路輸入電源加裝隔離變壓器,并將隔離變壓器二次側的零線跟另一路輸入電源的零線接到一起,這樣就解決了兩路輸入電源的零線短接問題(如圖9所示,灰色線為N線)。對于零線先通后斷的4極ATS來說,需要在靠近ATS端給兩路輸入電源分別加裝隔離變壓器,并將隔離變壓器二次側的零線獨立接地,從而滿足第一種方法的條件(如圖10所示,灰色線為N線)。
結束語
系統工作可用性是當今UPS供電系統追蹤的重要指標之一,為此很多單位都具備了兩路電源甚至三路電源,如何把這些輸入電源跟UPS供電系統很好地結合起來,主要就體現在UPS與ATS配合應用的方案上面,處理不好就會出現這樣或者那樣的問題。單機或并機系統適合采用單一ATS方案,對于雙總線或者更復雜的供電系統適合采用ATS組合方案,但是對應的ATS型號如何選用,零線如何處理也都是關系到方案成敗的關鍵!
聯系方式:鄒先生(mos管專家)
聯系電話:0755-83888366-8022
手機:18123972950
QQ:2880195519
聯系地址:深圳市福田區車公廟天安數碼城天吉大廈CD座5C1
請搜微信公眾號:“KIA半導體”或掃一掃下圖“關注”官方微信公眾號
請“關注”官方微信公眾號:提供 MOS管 技術幫助
