電機保護電路,電機過熱保護電路分享-KIA MOS管
信息來源:本站 日期:2026-01-16
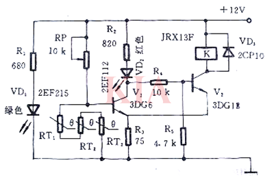
由PTC熱敏電阻和施密特電路構成的控制電路。圖中,RT1、RT2、RT3為三只特性一致的階躍型PTC熱敏電阻器,它們分別埋設在電機定子的繞組里。 正常情況下,PTC熱敏電阻器處于常溫狀態,它們的總電阻值小于1KΩ。此時,V1截止,V2導通,繼電器K得電吸合常開觸點,電機由市電供電運轉。
當電機因故障局部過熱時,只要有一只PTC熱敏電阻受熱超過預設溫度時,其阻值就會超過10KΩ以上。 于是V1導通、V2截止,VD2顯示紅色報警,K失電釋放,電機停止運轉,達到保護目的。
PTC熱敏電阻的選型取決于電機的絕緣等級。通常按比電機絕緣等級相對應的極限溫度低40℃左右的范圍選擇PTC熱敏電阻的居里溫度。例如,對于B1級絕緣的電機,其極限溫度為130℃,應當選居里溫度90℃的PTC熱敏電阻。
通過集成以下簡單的溫度指示器電路:
上述過熱保護器電路可能永遠不會允許勵磁繞組發生故障,因為任何繞組在熔斷之前都會首先升溫。如果上述電路檢測到設備有任何異常發熱,就會關閉電機,從而避免任何此類事故。
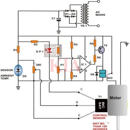
當電機過載時,比較器輸出一個高電平信號,點亮過載指示燈。
當電機出現過載時,電路中流過的電流要高于正常工作時的電流。根據這個現象,我們用比較器設定一個閥值,使電機正常時,比較器不發出過載信號;當電機過載,超過這個閥值時,比較器輸出過載信號。
本例電路中,電阻R1和R6形成一個分壓基準電路,就是我們設定的閥值電壓,連接到比較器的反相輸入端。
比較器的同相輸入端是一個簡單的電流轉換電壓的電路,通過R5上的電壓來檢測流過電機的電流。
其中R4,C2和R3,C1是兩個簡單的RC濾波電路。
電機正常工作時,B點電壓要小于A點電壓,比較器輸出低電平,過載指示燈D1處于熄滅狀態。
當電機出現過載時,流過R5的電流要變大,R5上的壓降增大,B點電壓上升,大于A點電壓時,比較器輸出高電平,過載指示燈被點亮。
其中LM393比較器為OC門輸出,所以需要增加外部上拉電阻,其中R2就是。同時也是D1的限流電阻。
聯系方式:鄒先生
座機:0755-83888366-8022
手機:18123972950(微信同號)
QQ:2880195519
聯系地址:深圳市龍華區英泰科匯廣場2棟1902
搜索微信公眾號:“KIA半導體”或掃碼關注官方微信公眾號
關注官方微信公眾號:提供 MOS管 技術支持
免責聲明:網站部分圖文來源其它出處,如有侵權請聯系刪除。
