互鎖正反轉控制電路圖分享-KIA MOS管
信息來源:本站 日期:2026-01-05
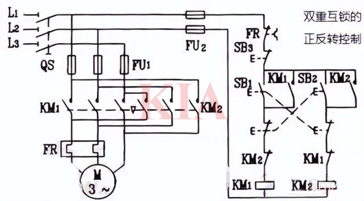
按鈕、按觸器雙重互鎖的正反轉控制線路原理,先合上電源開關QS:
1、正轉控制:按下SB1→SB1動斷觸頭先分斷對KM2互鎖、SB1動合觸頭后閉合→KM1線圈通電→KM1自鎖觸頭閉合自鎖、KM1互鎖觸頭分斷對KM2互鎖、KM1主觸頭閉合→電動機M啟動連續正轉。
2、反轉控制:按下SB2→SB2動斷觸頭先分斷→KM1線圈失電→KM1自鎖觸頭分斷、KM1互鎖觸頭復位(SB2動合觸頭后閉合)→電動機M失電→KM2線圈通電→KM2自鎖觸頭閉合自鎖、KM2互鎖觸頭分斷對KM1互鎖(切斷正轉控制電路)、KM2主觸頭閉合→電動機M啟動連續反轉。
當需要停止運轉時,按下SB3,整個控制電路失電,主觸頭分斷,電動機M失電停轉。在正反轉控制線路中,除了用熔斷器作短路保護外,還用熱繼電器作電動機的過載保護。
如果電動機在運行過程中,因為過載或其他原因,使負載電流超過額定值時,經過一定時間,串接在主電路中的熱繼電器雙金屬片受熱彎曲,使串接在控制線路中的動斷觸頭斷開,切斷控制線路電源,接觸器KM的線圈斷電,主觸頭斷開,電動機M便脫離電源停轉,達到過載保護的目的。
熱繼電器發生動作之后,經過一段時間的冷卻,可以自動或手動復位為下一次動作作好準備。
由于發熱元件的熱慣性,熱繼電器不能做短路保護。因為短路事故發生時要求電路立即斷開,但熱繼電器不能立即動作。
聯系方式:鄒先生
座機:0755-83888366-8022
手機:18123972950(微信同號)
QQ:2880195519
聯系地址:深圳市龍華區英泰科匯廣場2棟1902
搜索微信公眾號:“KIA半導體”或掃碼關注官方微信公眾號
關注官方微信公眾號:提供 MOS管 技術支持
免責聲明:網站部分圖文來源其它出處,如有侵權請聯系刪除。
