4953場效應管參數,4953參數引腳圖,PmosKIA4953-KIA MOS管
信息來源:本站 日期:2024-05-20
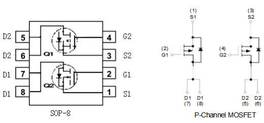
KIA4953雙P溝道MOSFET是KIA先進的P溝道工藝的一個堅固的柵極版本,針對需要大范圍給定驅動電壓的電源管理應用進行了優化。額定值(4.5 V–20 V)。KIA4953場效應管封裝形式:SOP-8。
KIA4953場效應管具有出色性能,漏源擊穿電壓-30V,漏極電流-5.3A,表現出優異的電氣特性;當Vgs為-10V時,其RDS(on)為54mΩ,而當Vgs為-4.5V時,其RDS(on)為84mΩ,顯示出在不同工作條件下的電阻特性。
4953場效應管具有低壓充放電的特點,典型值為6Nc,在電路中實現更快的響應速度,還具有高功率和電流的能力,能夠滿足對高性能的需求,適合在各種要求嚴格的場合使用,以及快速切換速度,能夠有效提高電路的響應速度和效率,為電路設計和應用提供了可靠的保障。
漏源電壓:-30V
漏極電流:-5.3A
漏源通態電阻(RDS(on)):54mΩ
柵源電壓:±20V
脈沖漏電流:-20A
總功耗:2W
總柵極電荷:6.0nC
輸入電容:525PF
輸出電容:130PF
開通延遲時間:7nS
關斷延遲時間:14nS
上升時間:13ns
下降時間:9ns
聯系方式:鄒先生
聯系電話:0755-83888366-8022
手機:18123972950(微信同號)
QQ:2880195519
聯系地址:深圳市福田區金田路3037號金中環國際商務大廈2109
請搜微信公眾號:“KIA半導體”或掃一掃下圖“關注”官方微信公眾號
請“關注”官方微信公眾號:提供 MOS管 技術幫助
免責聲明:本網站部分文章或圖片來源其它出處,如有侵權,請聯系刪除。
