?【MOSFET電路設計】開漏、開集電路講解-KIA MOS管
信息來源:本站 日期:2022-04-26
在電路設計時我們常常遇到開漏(open drain)和開集(open collector)的概念。這兩個概念到底是什么呢?下文給你帶來詳細介紹。
開漏(opendrain)介紹
開漏電路概念中提到的漏就是指MOSFET的漏極。同理,開集電路中的集就是指三極管的集電極。開漏電路就是指以MOSFET的漏極為輸出的電路。
一般的用法是會在漏極外部的電路添加上拉電阻。完整的開漏電路應該由開漏器件和開漏上拉電阻組成。
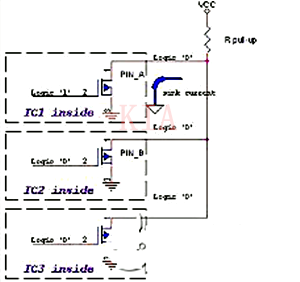
如下圖所示:
組成開漏形式的電路特點 1.利用外部電路的驅動能力,減少IC內部的驅動。當IC內部MOSFET導通時,驅動電流是從外部的VCC流經Rpull-up,MOSFET到GND。IC內部僅需很小的柵極驅動電流。
2.可以將多個開漏輸出的Pin,連接到一條線上。形成與邏輯關系。
如圖1,當PIN_A、PIN_B、PIN_C任意一個變低后,開漏線上的邏輯就為0了。這也是I2C,SMBus等總線判斷總線占用狀態的原理。
3.可以利用改變上拉電源的電壓,改變傳輸電平。IC的邏輯電平由電源Vcc1決定,而輸出高電平則由Vcc2決定。這樣我們就可以用低電平邏輯控制輸出高電平邏輯了。
4.開漏Pin不連接外部的上拉電阻,則只能輸出低電平。
5.標準的開漏腳一般只有輸出的能力。添加其它的判斷電路,才能具備雙向輸入、輸出的能力。
開集(opencollector)介紹
Open-collector/ Open-drain是用于多個device間使用一個連接線來雙向(Bi-direcTIonally)通信的技術。
如圖所示
因為Collector的pin沒有和任何其他device連接所以叫Open Collector。BJT的情況叫做Open-Collector,MOSFET的情況叫做Open-drain。理論上BJT和MOSFET一樣。
在input有high信號的話,transistor則為ON,此時Output和Groud形成通路使得Output輸出為Low 在input有low信號的話,transistor則為OFF,此時Output為Hi-inpedence狀態。
Hi-impedence的意思是阻抗很高,Low和High不能區別的狀態。 所以一般情況下,Output會連接有一個Pull-up電阻,在input為low時,能把output的狀態從Hi-impedence拉到High狀態。
若是在bus線上有多個同樣的Open-collector時,只要有一個open-collector的input為low,導致output為low,則引起bus上的狀態為low。這樣的bus線叫做wired-OR。
Open-collector因為Pull-up電阻,導致input為low時,output為High。在多個device間不會引起信號沖突。而不使用open-collector的話,多個device發送low或者high時,會引起短路。
開集(Open-collector)的特點
1. 多個device連接時,可以雙方向傳輸(wire-OR)
2. Level不同的device之間也可以傳輸數據(5V的master可以給3V的slave傳輸數據) I2C就是使用此方法構造的。
I2C最初的操作就是發送一個slave address。發送后等待回應ACK 這時多個device中符合其slave地址的device會使其output為low來回應master,使得master判定此device為自己需要交換數據的device。
聯系方式:鄒先生
聯系電話:0755-83888366-8022
手機:18123972950
QQ:2880195519
聯系地址:深圳市福田區車公廟天安數碼城天吉大廈CD座5C1
請搜微信公眾號:“KIA半導體”或掃一掃下圖“關注”官方微信公眾號
請“關注”官方微信公眾號:提供 MOS管 技術幫助
免責聲明:本網站部分文章或圖片來源其它出處,如有侵權,請聯系刪除。
