【圖文】CMOS求和比較器在PWM開關電源控制中的應用-KIA MOS管
信息來源:本站 日期:2022-04-08
開關電源是利用現代電力電子技術,控制開關管開通和關斷的時間比率,維持穩定輸出電壓的一種電源,開關電源一般由脈沖寬度調制(PWM)控制IC和MOSFET構成。
開關電源和線性電源相比,二者的成本都隨著輸出功率的增加而增長,但二者增長速率各異。線性電源成本在某一輸出功率點上,反而高于開關電源,這一點稱為成本反轉點。
隨著電力電子技術的發展和創新,使得開關電源技術也在不斷地創新,這一成本反轉點日益向低輸出電力端移動,這為開關電源提供了廣闊的發展空間。
開關電源體積小、重量輕、變換效率高, 因此廣泛應用于各種電子設備中。它體積小、重量輕、功率因數高,具有較高的工作效率,但結構過于復雜使它的應用受到一定的限制。下面就這個問題提出一個可行的解決方法。
開關電源的工作過程相當容易理解,在線性電源中,讓功率晶體管工作在線性模式,與線性電源不同的是,PWM開關電源是讓功率晶體管工作在導通和關斷的狀態,在這兩種狀態中,加在功率晶體管上的伏-安乘積是很小的(在導通時,電壓低,電流大;關斷時,電壓高,電流小)/功率器件上的伏安乘積就是功率半導體器件上所產生的損耗。
與線性電源相比,PWM開關電源更為有效的工作過程是通過“斬波”,即把輸入的直流電壓斬成幅值等于輸入電壓幅值的脈沖電壓來實現的。脈沖的占空比由開關電源的控制器來調節。
一旦輸入電壓被斬成交流方波,其幅值就可以通過變壓器來升高或降低。通過增加變壓器的二次繞組數就可以增加輸出的電壓組數。最后這些交流波形經過整流濾波后就得到直流輸出電壓。
控制器的主要目的是保持輸出電壓穩定,其工作過程與線性形式的控制器很類似。也就是說控制器的功能塊、電壓參考和誤差放大器,可以設計成與線性調節器相同。他們的不同之處在于,誤差放大器的輸出(誤差電壓)在驅動功率管之前要經過一個電壓/脈沖寬度轉換單元。
開關電源有兩種主要的工作方式:正激式變換和升壓式變換。盡管它們各部分的布置差別很小,但是工作過程相差很大,在特定的應用場合下各有優點。
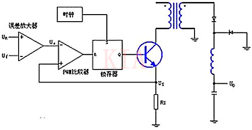
圖1給出了電流控制的PWM降壓變換器的基本組成。
圖1電流控制的PWM降壓變換器的基本組成
從該電路可以看出,反饋電路由兩部分組成:輸出電壓U0經采樣電路(未畫出)得到反饋電壓Uf反饋到誤差放大器的反向端,基準電壓UR加至誤差放大器同向端,構成常規的電壓反饋,即電壓外環;由電阻RS上檢測得到的電流反饋信號US和誤差放大器的輸出Ue分別加至PWM比較器同向端和反向端,構成了電流內環。
PWM比較器輸出加至觸發器的R端,時鐘振蕩器從S端向鎖存器輸出一系列恒定頻率的時鐘信號。當功率管導通時,隨著電流的增大電流檢測信號US也同時增大,直到同Ue電壓相等時PWM比較器輸出高電平,使鎖存器輸出轉為低電平,功率管關斷。
時鐘振蕩器輸出的穩定時鐘信號通過鎖存器控制著三極管的通斷。由此可以看出,由于引入了電流反饋,對輸出電壓有前饋調節作用,提高了系統的動態響應,由于電感電流直接跟隨誤差電壓的變化,輸出電壓就可以很容易的得到控制。電流內環還使開關電源變換器易于實現并聯運行,有利于實現變換器的模塊設計。
電流控制PWM技術有很多優點,如電壓調整率好;回路穩定性好,負載響應快;功耗小;有較好的并聯能力等等,但同時它的缺點也是不能忽視的:
占空比大于50%時系統可能出現不穩定性,可能會產生次諧波振蕩;在電路拓撲結構選擇上也有局限,在升壓型和降壓-升壓型電路中,由于儲能電感不在輸出端,存在峰值電流與平均電流的誤差。
針對這種情況,當占空比大于50%時,一般是采用諧波補償的方法來克服缺點。但在實際應用中,由于輸出級的電感L和電容C的存在,當開關電源的負載發生變化時,誤差放大器必須調整自己的補償以使自己達到穩定,但實際電路中大都采用集成PWM控制器件,不可能根據負載的變化及時對誤差放大器做出調整,系統的自適應能力較差。
加入求和比較器的新型電流控制模式
為了解決開關電源自適應能力差的缺陷,對原來的降壓型變換器進行改進,得到如圖2電路
圖2改進的電流控制的PWM降壓變換器的基本組成
與圖1相比, 圖2中檢測電感電流的采樣電阻RS的位置發生了變化,將其從三極管的射極移到了輸出端,這樣電阻RS兩端的電壓就反映了采樣電流的大小。
與此同時,用一個CMOS求和比較器代替了原來的兩個運算放大器,工作原理如下:U+ 、U_為諧波補償信號,組成一組差分信號,反饋電壓Uf和參考電壓Uref分別加至一對正負端,為一組差分信號。
只有當U+、Uf、U1相加之和等于U_、Uref、U0之和時,求和比較器輸出高電平,鎖存器輸出低電平,三極管斷開,表明輸出電壓處于穩定狀態;
三極管斷開后,變壓器的原邊通過續流二極管放電,變壓器副邊電流減小,因為電容兩端的電壓不能突變,所以U0在三極管斷開的瞬間不變,U1減小,和其他五個參量共同輸入求和比較器,直到求和比較器輸出低電平,當時鐘脈沖再次來到時鎖存器輸出高電平,三極管再次導通。
由此可見,控制信號的產生只與反饋信號(輸出電壓反饋信號和電感電流大小的反饋信號) 和獨立的諧波信號有關, 不再存在與開關電源濾波結構的電感和電容值相關的頻率補償問題, 既保證了系統的穩定性, 也實現了自適應控制。
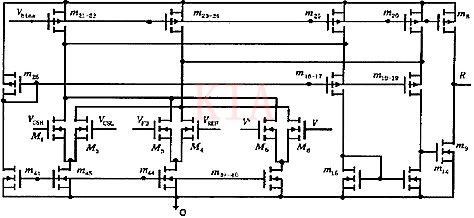
求和比較器的電路結構如圖3 所示。
圖3 求和比較器的電路結構
該比較器結構是折疊式的, MOS管M 1-M 6 組成3 對差分對。
實現3 組電壓和的比較是通過電流和的比較而實現的, MOS管M 1, M 3 和M 5 所形成的電流和通過MOS管m 16-m 17折疊到輸出緩沖電流鏡的m 15的漏端, 同樣M 2, M 4 和M 6 所形成的電流和通過MOS管m 18-m 19折疊到輸出緩沖電流鏡的m 14的漏端, 再經MOS管m 9 獲得R 信號。也即脈沖寬度調制信號。
本文對利用CMOS求和比較器實現PWM電流控制方法進行了闡述,該方法簡化了傳統電流控制接法的電路結構,省略了誤差放大器,從而提高了輸出信號的速度和精度,減小了芯片的面積,降低了制作成本,有利于系統集成。理論上該方法具有輸出電壓穩定、高速、精確的優點,經模擬和實驗后應可用于各種高效的電流PWM控制電路。
聯系方式:鄒先生
聯系電話:0755-83888366-8022
手機:18123972950
QQ:2880195519
聯系地址:深圳市福田區車公廟天安數碼城天吉大廈CD座5C1
請搜微信公眾號:“KIA半導體”或掃一掃下圖“關注”官方微信公眾號
請“關注”官方微信公眾號:提供 MOS管 技術幫助
免責聲明:本網站部分文章或圖片來源其它出處,如有侵權,請聯系刪除。
