MOS管保護電路實測與保護電路分析-KIA MOS管
信息來源:本站 日期:2020-11-30
功率MOS管自身擁有眾多優點,但是MOS管具有較脆弱的承受短時過載能力,特別是在高頻的應用場合,所以在應用功率MOS管對必須為其設計合理的保護電路來提高器件的可靠性。
功率MOS管保護電路主要有以下幾個方面:
1.防止柵極 di/dt過高:
MOS管保護電路實測,分析:由于采用驅動芯片,其輸出阻抗較低,直接驅動功率管會引起驅動的功率管快速的開通和關斷,有可能造成功率管漏源極間的電壓震蕩,或者有可能造成功率管遭受過高的di/dt而引起誤導通。
為避免上述現象的發生,通常在MOS驅動器的輸出與MOS管的柵極之間串聯一個電阻(R509),電阻的大小一般選取幾十歐姆。該電阻可以減緩Rds從無窮大到Rds(on)(一般0.1歐姆或者更低)。若不加R509電阻,高壓情況下便會因為mos管開關速率過快而導致周圍元器件被擊穿。
但R509電阻過大則會導致MOS管的開關速率變慢,Rds從無窮大到Rds(on)的需要經過一段時間,高壓下Rds會消耗大量的功率,而導致mos管發熱異常。該電阻上并聯的二極管(D507)是在脈沖下降沿時起到對柵極放電的作用,使場效應管能快速截止,減少功耗。
2.防止柵源極間過電壓:
由于柵極與源極的阻抗很高,漏極與源極間的電壓突變會通過極間電容耦合到柵極而產生相當高的柵源尖峰電壓,此電壓會使很薄的柵源氧化層擊穿,同時柵極很容易積累電荷也會使柵源氧化層擊穿,所以要在MOS管柵極并聯穩壓管(圖中D903)以限制柵極電壓在穩壓管穩壓值以下,保護MOS管不被擊穿,MOS管柵極并聯電阻(圖中R516)是為了釋放柵極電荷,不讓電荷積累。
3.防護漏源極之間過電壓 :
雖然漏源擊穿電壓VDS一般都很大,但如果漏源極不加保護電路,同樣有可能因為器件開關瞬間電流的突變而產生漏極尖峰電壓,進而損壞MOS管,功率管開關速度越快,產生的過電壓也就越高。為了防止器件損壞,通常采用齊納二極管鉗位(圖中D901)和RC緩沖電路(圖中C916,R926)等保護措施。
當電流過大或者發生短路時,功率MOS管漏極與源極之間的電流會迅速增加并超過額定值,必須在過流極限值所規定的時間內關斷功率MOS管,否則器件將被燒壞,因此在主回路增加電流采樣保護電路,當電流到達一定值,通過保護電路關閉驅動電路來保護MOS管。
4.電流采樣保護電路
將經過mos管的電流通過采樣電阻采樣出來,然后將信號放大,將放大獲得的信號和mcu給出的驅動信號經過或門控制驅動芯片的使能,在驅動電流過大時禁止驅動芯片輸出,從而保護mos管回路。
MOS管保護電路實測,分析:MOS管的柵極和源極之間的電阻:
一是為場效應管提供偏置電壓;二是起到瀉放電阻的作用:保護柵極G-源極S;保護柵極G-源極S:場效應管的G-S極間的電阻值是很大的,這樣只要有少量的靜電就能使他的G-S極間的等效電容兩端產生很高的電壓,
如果不及時把這些少量的靜電瀉放掉,兩端的高壓就有可能使場效應管產生誤動作,甚至有可能擊穿其G-S極;這時柵極與源極之間加的電阻就能把上述的靜電瀉放掉,從而起到了保護場效應管的作用。
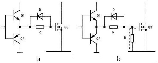
MOS管保護電路實測,分析:具體的例子:MOS管在開關狀態工作時,Q1、Q2是輪流導通,MOS管柵極在反復充、放電狀態,如果在此時關閉電源,MOS管的柵極就有兩種狀態:一種是放電狀態,柵極等效電容沒有電荷存儲;另一個是充電狀態,柵極等效電容正好處于電荷充滿狀態,如下圖a所示。
雖然電源切斷,此時Q1、Q2也都處于斷開狀態,電荷沒有釋放的回路,但MOS管柵極的電場仍然存在(能保持很長時間),建立導電溝道的條件并沒有消失。這樣在再次開機瞬間,由于激勵信號還沒有建立,而開機瞬間MOS管的漏極電源(V1)隨機提供,在導電溝道的作用下,MOS管立刻產生不受控的巨大漏極電流Id,引起MOS管燒壞。
為了避免此現象產生,在MOS管的柵極對源極并接一只泄放電阻R1,如下圖b所示,關機后柵極存儲的電荷通過R1迅速釋放,此電阻的阻值不可太大,以保證電荷的迅速釋放,一般在五千歐至數十千歐左右。
灌流電路主要是針對MOS管在作為開關營運用時其容性的輸入特性,引起“開”、“關”動作滯后而設置的電路,當MOS管作為其他用途,例如線性放大等應用時,就沒有必要設置灌流電路。
R38電阻的作用是:
1.減緩Rds從無窮大到Rds(on)(一般0.1歐姆或者更低)。
2.若不加R38電阻,高壓情況下便會因為mos管開關速率過快而導致周圍元器件被擊穿。但R38電阻過大則會導致MOS管的開關速率變慢,Rds從無窮大到Rds(on)的需要經過一段時間,高壓下Rds會消耗大量的功率,而導致mos管發熱異常。
R42電阻的作用是:
1.作為泄放電阻泄放掉G-S的少量靜電,防止mos管產生誤動作,甚至擊穿mos管(因為只要有少量的靜電便會使mos管的G-S極間的等效電容產生很高的電壓),起到了保護mos管的作用。
2.為mos管提供偏置電壓
聯系方式:鄒先生
聯系電話:0755-83888366-8022
手機:18123972950
QQ:2880195519
聯系地址:深圳市福田區車公廟天安數碼城天吉大廈CD座5C1
請搜微信公眾號:“KIA半導體”或掃一掃下圖“關注”官方微信公眾號
請“關注”官方微信公眾號:提供 MOS管 技術幫助

